Timings: Mon to Sat - 9am To 6pm
  • Mail Us On
  • info@matrixsteelsolutions.org
  • Call Us On
  • +91 92612 31580
Quick Enquiry
Enquiry Now

Structural Steel Detailing Services in UAE

Structural Steel Detailing Services in UAE by Matrix Steel Solutions

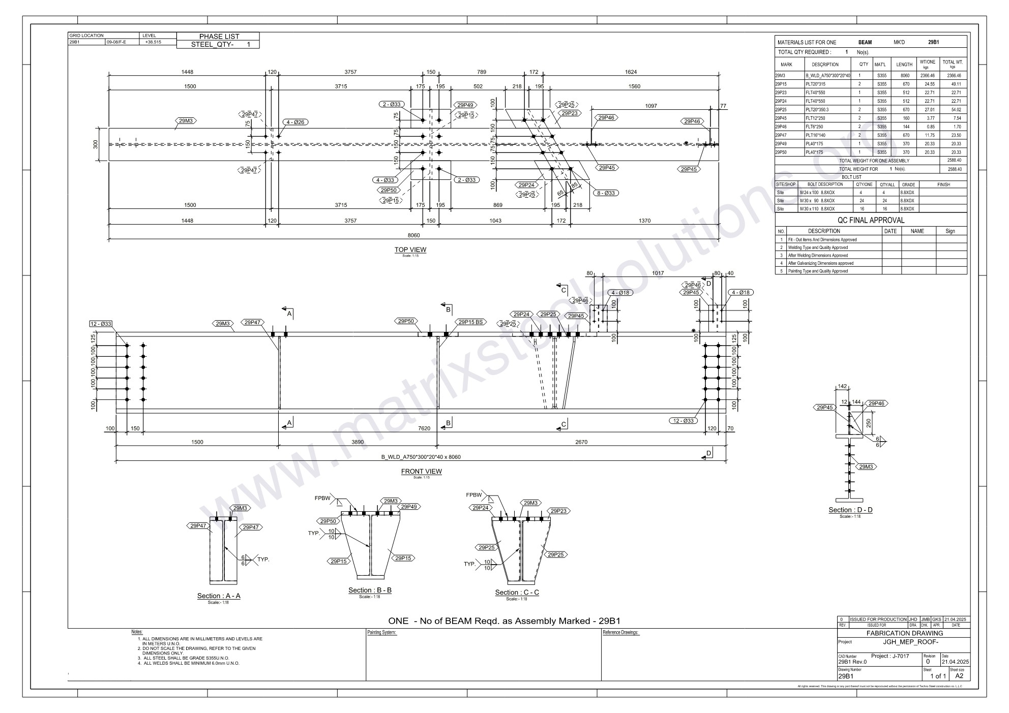
Structural Steel Detailing Services in UAE from Matrix Steel Solutions involve creating precise drawings and 3D models that guide the fabrication and erection of steel components in construction projects. These services are essential in projects that involve steel buildings, bridges, commercial infrastructure, and industrial plants. Each steel beam, column, joint, truss, or bolt is documented with exact specifications through Structural Steel Detailing Services in UAE by Matrix Steel Solutions to ensure accurate assembly and seamless integration on-site.


Importance of Structural Steel Detailing Services in UAE

In the UAE, the demand for Structural Steel Detailing Services in UAE is rapidly increasing due to a rise in mega infrastructure projects and urban development. From iconic skyscrapers to massive industrial plants, the backbone of construction in the UAE relies on trusted Structural Steel Detailing Services in UAE from companies like Matrix Steel Solutions. These services reduce errors, enhance efficiency, and help deliver projects on time.


What We Offer: Expert Structural Steel Detailing Services in UAE by Matrix Steel Solutions

As a leading provider of Structural Steel Detailing Services in UAE, Matrix Steel Solutions offers accurate, code-compliant, and cost-effective solutions for all types of projects. Our team specialises in delivering Structural Steel Detailing Services in UAE for commercial buildings, industrial plants, bridges, and residential structures.

Our Key Services under Structural Steel Detailing Services in UAE:

  • 2D Steel Shop Drawings
  • 3D BIM Modeling
  • Steel Erection Drawings
  • Connection Design and Detailing
  • Anchor Bolt Layouts
  • Miscellaneous Steel Detailing (stairs, ladders, railings)
  • Steel Deck and Joist Detailing
  • Pre-engineered Building Steel Detailing

With Matrix Steel Solutions offering Structural Steel Detailing Services in UAE, fabricators can eliminate on-site errors, reduce material waste, and streamline the construction process.

ERECTION DRAWINGS
ASSEMBLY DRAWINGS

Industries We Serve with Structural Steel Detailing Services in UAE

Matrix Steel Solutions provides Structural Steel Detailing Services in UAE for a wide range of industries:

  1. Commercial Buildings
    From office towers to malls, Structural Steel Detailing Services in UAE ensure strength and precision for every structure.
  2. Industrial Facilities
    Our Structural Steel Detailing Services in UAE support large factories, oil refineries, and logistics hubs.
  3. Infrastructure Projects
    Bridges, airports, and transport terminals benefit from our reliable Structural Steel Detailing Services in UAE.
  4. Residential Projects
    From villas to high-rises, our Structural Steel Detailing Services in UAE offer durable and efficient design support.
  5. Warehousing and Logistics Centres
    Get streamlined construction with precise Structural Steel Detailing Services in UAE for warehouses and storage buildings.

Why Choose Matrix Steel Solutions for Structural Steel Detailing Services in UAE

  1. Precision and Code Compliance
    Our Structural Steel Detailing Services in UAE adhere to international and UAE construction codes for maximum safety and accuracy.
  2. Quick Turnaround
    We provide fast and reliable Structural Steel Detailing Services in UAE, helping you keep projects on schedule.
  3. Industry Expertise
    Matrix Steel Solutions has a proven track record of delivering top-tier Structural Steel Detailing Services in UAE.
  4. Cost-Efficiency
    Our competitive rates make Structural Steel Detailing Services in UAE affordable for businesses of all sizes.
  5. Tailored Solutions
    Every project is unique—our Structural Steel Detailing Services in UAE are customised to meet your exact requirements.

Benefits of Structural Steel Detailing Services in UAE by Matrix Steel Solutions

By choosing Matrix Steel Solutions, you gain premium Structural Steel Detailing Services in UAE with the following advantages:

  • Fewer fabrication errors and less on-site rework
  • Better collaboration between engineers and contractors
  • Shortened construction timelines
  • Accurate material lists and budgeting
  • BIM integration support
  • Improved structural safety and design compliance

Contact Matrix Steel Solutions – Trusted for Structural Steel Detailing Services in UAE

Our expert team is ready to deliver the most reliable and professional Structural Steel Detailing Services in UAE for your next project. Whether you're working on a warehouse, office building, or infrastructure project, Matrix Steel Solutions provides outstanding Structural Steel Detailing Services in UAE that turn blueprints into reality.

 

Structural Steel Detailing Services UAE

Steel Detailing Services Kuwait | Steel Detailing Services Oman | Steel Detailing Services Saudi Arabia | Steel Detailing Services UAE | Steel Detailing Services Qatar | Steel Detailing Services Bahrain | Steel Detailing Services Ira